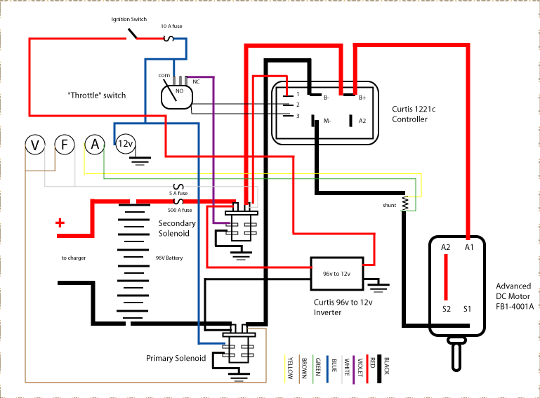
The Bus Project The wiring diagram is shown below. Click on it to make it bigger.
When I started this project back in 2002 I never knew it would take so long. I had read those HotRod magazines growing up and wondered why a restoration project took so long. Now I know. Life. Jobs, school and other things get in the way sometimes. Heck, we even built a new garage.

So now it's September in 2006 and I loved the project. The bus ran great and got me back and fourth to work all summer and fall of last year. However batteries are a chemical reaction and once the clock starts tickin, there's no stopping them. So, I didn't want the bus to sit all winter wasting away, so I sold it on Ebay. The new owner lives in Georgia and is very very happy with it.

96volts worked fine for the bus, had a little more pull than the original motor. I found myself taking easy roads, following the river in an effort to streach the distance. I got fooled once by a recovery charge, ran out of juice right in front of my sisters house. Perfect! Note to self. Recharge.

We've moved on to BioDiesel! Our VW Beetle is a diesel and my new VW Vanagon Syncro is in the process of being converted to Diesel. Stay tuned...

Return to Gallery